Контроллер СКД Transit 1104
Пример реализации системы управления автоматическими воротами и отпиранием двери |
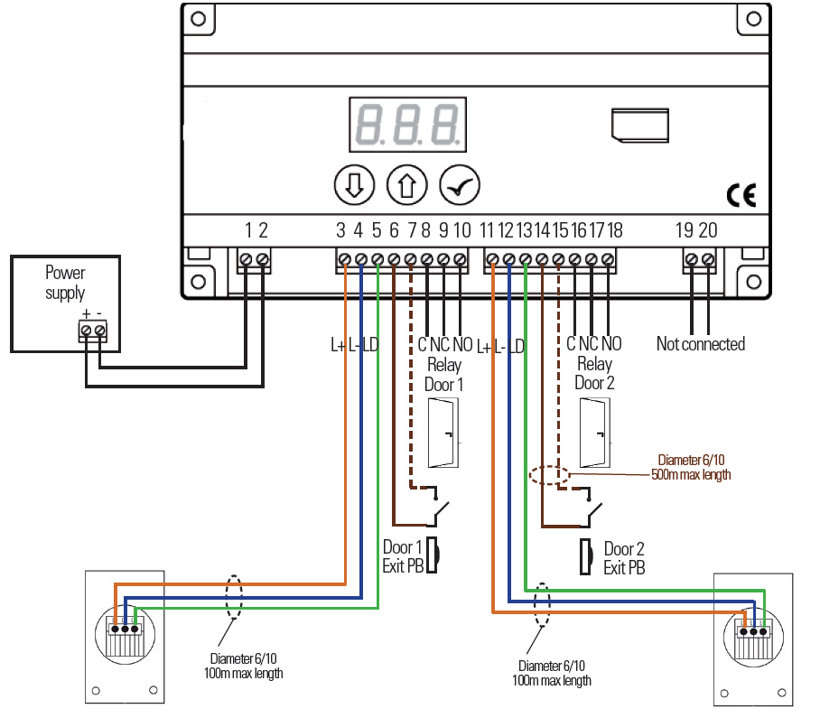
Пример реализации системы управления отпиранием двух дверей |
Совместимые считыватели
Совместно с контроллером Transit могут использоваться только считыватели FDI Matelec с интерфейсом Datacolock. Технические характеристики и рабочие температуры приведённых ниже считывателей идентичны их аналогам с интерфейсом Wiegand 26 (См. раздел Считыватели Proximity с интерфейсом Wiegand 26)
| Технические характеристики | |
|
Напряжение питания
|
~12 В, 50/60 Гц
= 10,8 – 22 В
|
|
Макс. потребляемый ток
|
400 мА
|
| Технология |
Proximity 125 кГц
Радиоканал 433 МГц
|
|
Протокол считывателей
|
Dataclock (3 провода)
|
| Количество управляемых выходов | 2 |
|
Тип управляемых выходов
|
NC, NO
|
|
Макс. коммутируемое напряжение
|
30 В
|
|
Макс. коммутируемый ток
|
3,5 А
|
|
Макс. коммутируемая нагрузка
|
40 В*А / 25 Вт
|
|
Время срабатывания
|
Регулируемое (0 – 99 с)
|
|
Макс. количество ключей
|
500
|
|
Рабочие температуры
|
-10°С / +50°С
|


